World’s first multi-channel DRM transmitter in VHF Band III


Viernheim, Hannover, 12.09.2025 – At IBC 2025 in Amsterdam, Plisch and RFmondial show world’s first multi-channel DRM transmitter in VHF Band III (174 to 240 MHz) at sales space 8.B63.
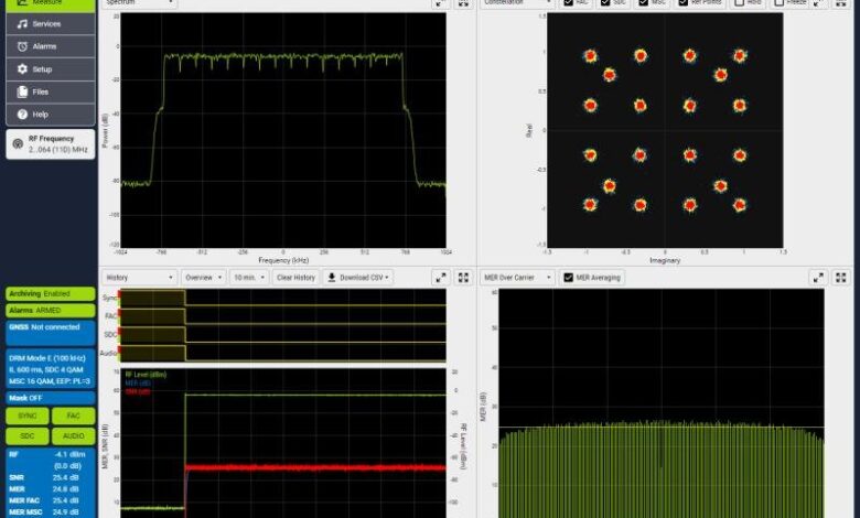
Not too long ago Indonesia beneficial Digital Radio Mondiale (DRM) amongst others for VHF band III, which created the necessity for broadcasting tools on this band. The 2 firms have responded to this request and mixed Plisch’s Medium Energy Transmitter 5600 / 5700 Sequence (500W – 20kW) with RFmondial’s digital DRM modulator / exciter LV5e. The modulator combines as much as 15 DRM-FM streams into one spectrum, with every DRM sign having its particular person content material and energy stage. The multiplexed spectrum is then fed to the Medium Energy Transmitter and afterwards optimized utilizing superior sign processing algorithms like crest-factor discount, limiter and non-linear pre-correction.
As RFmondial’s DRM measurement and monitoring receiver RF-SE is already ready for VHF Band III, Indonesia and different international locations all world wide have now the tools out there for establishing DRM broadcasting networks in VHF band III.
RFmondial GmbH
Appelstr. 9a
30167 Hannover
Based in 1955, Plisch GmbH, headquartered in Viernheim, develops and produces radio transmitter methods for TV and radio for worldwide use. With greater than 20,000 installations in over 60 international locations, Plisch is considerably concerned within the enlargement of nationwide DAB+ broadcasting networks and with a “German engineering mentality” is all the time an modern pioneer, for instance within the implementation of broadcasting stand-ards corresponding to DVB-T/T2.
RFmondial GmbH gives skilled services and products for the digital broadcasting business in addition to different industries with the necessity for modern {hardware} and software program. Analysis, improvement and prototype implementation for transmitter, receiver, and monitoring expertise in addition to design companies for numerous industries are a part of the core enterprise. With broad expertise in numerous technological areas, world-wide markets are served, “Made in Germany”.
This launch was revealed on openPR.




